SC铜管端子
首页 > 产品中心 > 冷压端子 > SC铜管端子 >

SC185系列铜鼻子,紫铜线鼻子,线耳

产品型号: SC185-10
产品材质: 紫铜
表面处理: 雾锡,亮锡,素材,钝化可选
产品分类: SC铜管端子
样品免费,请致电联系我们;或者加右边官方微信在线客服。本公司开通阿里巴巴在线商城,可通过官网右边点击阿里巴巴在线商城购买产品或索取样品。特殊产品可定制开模,提供免费设计服务。24小时在线客服,售后无忧。 详情参数请见下方产品描述:

SC185系列铜鼻子,也称为紫铜线鼻子或线耳,是电气连接领域中常用的一种接线端子。该系列产品采用优质紫铜材料制造,具备优良的导电性和耐腐蚀性,适用于各种电气设备的电缆连接。SC185系列铜鼻子以其稳定的性能和可靠的连接效果,在工业自动化、建筑电气、新能源等领域得到广泛应用。



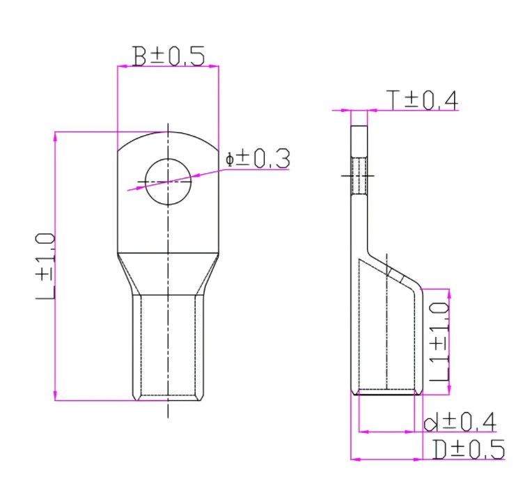
产品规格


根据提供的尺寸表,SC185系列铜鼻子的主要规格如下:


型号尺寸(mm)
DdL1BΦLT
SC185-1024.0 19.0 29.0 34.5 10.5 78.0 4.9 
SC185-1224.0 19.0 29.0 34.5 13.0 78.0 4.9 
SC185-1424.0 19.0 29.0 34.5 15.0 78.0 4.9 
SC185-1624.0 19.0 29.0 34.5 17.0 78.0 4.9 
SC185-1824.0 19.0 29.0 34.5 18.5 78.0 4.9 


产品特点



(一)材质优势



• 高导电性:采用紫铜材料,导电率高达99%以上,有效降低线路损耗,提高电力传输效率。


• 耐腐蚀性:紫铜具有良好的耐腐蚀性,表面镀锡处理进一步增强了产品的抗氧化和耐腐蚀能力,延长使用寿命。



(二)工艺特点



• 冷压工艺:采用先进的冷压技术,通过专用端子钳将铜鼻子与电缆紧密压接,无需焊接,避免热损伤,确保连接牢固。


• 窥口设计:端子设有窥口,便于观察电缆插入深度和压接情况,确保压接质量。



(三)设计合理



• 尺寸匹配:产品规格齐全,涵盖10-18 mm²的多种截面积范围,能够满足不同规格电缆的连接需求。


• 标准化设计:所有型号的铜鼻子均采用标准化设计,便于安装和更换。



(四)安全可靠



• 电气性能:符合国际标准,确保在额定电压和电流下安全稳定工作。


• 机械性能:具有较高的机械强度和抗拉强度,能够承受一定的拉力和压力,不会因外力作用而松动或断裂。



应用领域



(一)电力系统


在发电厂、变电站、输电线路和配电网络中,用于连接高压和低压电缆与电气设备,如变压器、开关柜、断路器等,确保电力的稳定传输和分配。



(二)工业自动化


在各类工厂和企业的自动化生产线中,用于连接电机、控制器、传感器等设备的电源线和信号线,保障工业设备的正常运行和生产过程的自动化控制。



建筑电气


在民用建筑和工业建筑的电气安装中,用于连接照明线路、动力线路和弱电线路,如消防系统、通信系统、安防系统等,满足建筑电气系统的多样化需求。



新能源领域


在太阳能光伏发电系统、风力发电系统和电动汽车充电设施中,用于连接新能源设备与电网或储能设备,支持新能源的高效利用和可持续发展。



使用方法



• 剥线:根据电缆截面积,使用剥线钳剥去电缆外皮,露出铜芯。


• 插入电缆:将电缆插入相应型号的铜鼻子管内,确保插入深度合适。


• 压接:使用专用端子钳进行压接,确保压接均匀、牢固。


• 安装:将压接好的铜鼻子固定在电气设备或接线端子排上。



维护与注意事项



• 定期检查:在使用过程中,应定期检查铜鼻子的连接情况,查看是否有松动、氧化或损坏的迹象。如发现异常,应及时进行处理或更换。


• 防氧化措施:对于未使用或长期暴露在空气中的铜鼻子,应采取适当的防氧化措施,如涂抹防氧化油脂或使用防氧化保护套,以延长使用寿命。


• 正确使用工具:压接时必须使用专用端子钳,避免使用不当工具导致损坏。


SC185系列铜鼻子凭借其优良的性能和广泛的应用场景,是电气连接的理想选择。

样品申请

专业服务团队解答